Laatste (of eerste....) rubber van het schakelmechanisme
Laatste (of eerste....) rubber van het schakelmechanisme
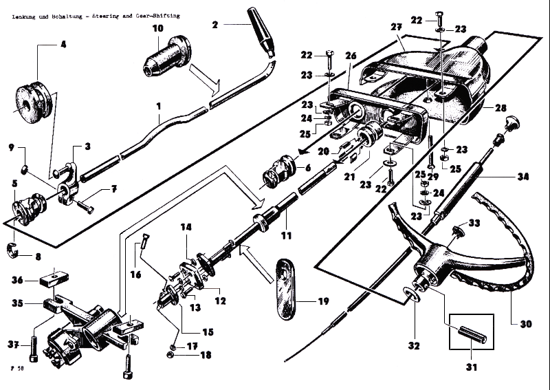
het laatste rubber dat op het schakelmechanisme zit, waar de lange schakelstang door loopt... (in de motorruimte)
daar zit bij mij enorm veel speling op, en denk dat hij daardoor wat lastig schakelt (voor naar de achteruit)
is die nog ergens nieuw te krijgen? (kon em niet vinden op trabantwelt)
daar zit bij mij enorm veel speling op, en denk dat hij daardoor wat lastig schakelt (voor naar de achteruit)
is die nog ergens nieuw te krijgen? (kon em niet vinden op trabantwelt)
Re: laatste (of eerste....) rubber van het schakelmachanisme
Bedoel je de F58-4 Gummirolle, F58-5 Gummiring of F58-6 Wulstring

Bekijk ook even de onderkant van je schakelpook, of die niet teveel is ingesleten.

Bekijk ook even de onderkant van je schakelpook, of die niet teveel is ingesleten.
Re: laatste (of eerste....) rubber van het schakelmachanisme
5 !
die 4 is standaard al van een behoorlijk hard plastic/rubber toch? die ziet er ook nog wel ok uit.
die 4 is standaard al van een behoorlijk hard plastic/rubber toch? die ziet er ook nog wel ok uit.
- eeuwige_student
- Erelid
- Berichten: 4138
- Lid geworden op: 18 nov 2010, 13:23
- Locatie: Herten
- Contacteer:
Re: laatste (of eerste....) rubber van het schakelmachanisme
Daar mag veel speling opzitten. Meestal helpt het om de rest van de rubbers goed te smeren.
Re: laatste (of eerste....) rubber van het schakelmachanisme
oh, hmm.. had alles al flink in de silicone vet gezet, maar wilde toch niet echt....
misschien zit et wel gewoon in de bak, vorige eigenaar zei al dat hij wat moeilijk schakelde soms...
zal het whims wel na kijken op hoe ik de bak olie kan controleren, had een litertje mee laten komen, misschien wat verversen..
die 6, heb ik denk ik niet gesmeerd, volgende keer maar ff proberen.
alvast bedankt voor het mee denken!
misschien zit et wel gewoon in de bak, vorige eigenaar zei al dat hij wat moeilijk schakelde soms...
zal het whims wel na kijken op hoe ik de bak olie kan controleren, had een litertje mee laten komen, misschien wat verversen..
die 6, heb ik denk ik niet gesmeerd, volgende keer maar ff proberen.
alvast bedankt voor het mee denken!
Re: laatste (of eerste....) rubber van het schakelmachanisme
Na het smeren van # 6 zal je probleem mogelijk wel weg zijn ... 

- eeuwige_student
- Erelid
- Berichten: 4138
- Lid geworden op: 18 nov 2010, 13:23
- Locatie: Herten
- Contacteer:
Re: laatste (of eerste....) rubber van het schakelmachanisme
Voor de zekerheid een keer wd40 op 5,6 en 10. Als die dan nog moeilijk schakelt, dan kan je de rubbers met aan zekerheid grenzende waarschijnlijkheid uitsluiten.
Re: laatste (of eerste....) rubber van het schakelmachanisme
En je kunt ze weggooien.eeuwige_student schreef:Voor de zekerheid een keer wd40 op 5,6 en 10. Als die dan nog moeilijk schakelt, dan kan je de rubbers met aan zekerheid grenzende waarschijnlijkheid uitsluiten.
Kruipolie laat rubber opzwellen. Controleer eerst even wie er nu gelijk heeft: E_S of ik.
- eeuwige_student
- Erelid
- Berichten: 4138
- Lid geworden op: 18 nov 2010, 13:23
- Locatie: Herten
- Contacteer:
Re: laatste (of eerste....) rubber van het schakelmachanisme
Daar heb ik met de schakelstang en WD40 nog geen last van gehad!
Re: laatste (of eerste....) rubber van het schakelmachanisme
met wd40 ben ik ook niet bang, maar ik zal jullie tips meenemen in de verdere reis met de trabi 
met beetje geluk kan ik donderdag kijken, al ik het niet vergeet.. vant weekend en aankomende week is het tijd carnaval, dus dan isser geen tijd

met beetje geluk kan ik donderdag kijken, al ik het niet vergeet.. vant weekend en aankomende week is het tijd carnaval, dus dan isser geen tijd
Re: laatste (of eerste....) rubber van het schakelmachanisme
Dat laatste rubbertje 5 eens demonteren daar zit als het goed is een viltje in. Dit viltje zit ook in nummer 6. Goed invetten voor monteren. Deze vervangen door een nieuwe die invetten en probleem opgelost.
- trammelanto
- Berichten: 109
- Lid geworden op: 18 nov 2010, 20:16
Re: laatste (of eerste....) rubber van het schakelmachanisme
Ik heb al heel wat rubberdelen kapot zien gaan en zelfs zien scheuren onder invloed van WD40/Kruipolie. Zo ken ik iemand die dacht een rubberen zadeldekje tbv een motorfiets te monteren, het zat niet geheel op zijn plek op het spanframe, dus WD40 opgespoten.... 10 minuten later scheurde het zadel op die betreffende plekken spontaan in
Ook op slangenwerk en deurvangers heb ik het zwel/verzwakkende effect van kruipolie/WD40 gezien.
Joost heeft dus wel degelijk een punt!! Pas op met WD40 of andersoortige kruipolie op rubberdelen! Het kan wel degelijk schade toebrengen!
Gr
Marco

Joost heeft dus wel degelijk een punt!! Pas op met WD40 of andersoortige kruipolie op rubberdelen! Het kan wel degelijk schade toebrengen!
Gr
Marco
1-Takt reicht nicht, 2-Takte sind mehr als genug, und 4-Takte sind 2 zuviel!!
Dabei: Motorräder brauchen nur Ventile an Vorder- und Hintenrad!
Dabei: Motorräder brauchen nur Ventile an Vorder- und Hintenrad!
Re: laatste (of eerste....) rubber van het schakelmachanisme
ok, naja, meestal doe ik dit soort smerende delen ook gewoon met normaal vet, witte vaseline of lagervet ofzo, omdat daar meer bij achter blijft, wd40 is zo dun en meestal na een paar dagen is de werking weg.
hopelijk zaterdag even kijken hoe en wat.
hopelijk zaterdag even kijken hoe en wat.
- trammelanto
- Berichten: 109
- Lid geworden op: 18 nov 2010, 20:16
Re: laatste (of eerste....) rubber van het schakelmachanisme
In het bovenste rubber (dat naast het stuur) huisvest ook een vilten vetvanger/smeervilt.. Als je de helmstok er helemaal uit haalt, zal je het wel zien. Maak dat rubber even schoon en verwijder alle vet en vervang dat door nieuw zuurvrije vaseline (van vet wordt je broek zo vies...), of vervang het gehele rubber (e.e.a. afhankelijk van de staat). In de onderste rubbers volstaat regulier multi-vet.
Geef ook de schakelhevel op de bak even aandacht. Indien het rubber kapje lang defect is geweest, wil het wel eens voorkomen dat de schakelstang op de bak niet meer zo lekker in en uit de bak glijdt ivm roestvorming. Boel even netjes schoonmaken en voorzien van nieuw vet en een nieuw rubbertje.
Het is natuurlijk mogelijk dat de bak defect is, maar probeer eerst deze kleine klusjes uit en ga van daar uit verder zoeken. Het kan ook zijn dat je koppeling niet helemaal vrij komt en bijgesteld moet worden, ook dat heeft effect op het al dan niet soepel schakelen van je versnellingsbak.
Succes.
Groet,
Marco
Geef ook de schakelhevel op de bak even aandacht. Indien het rubber kapje lang defect is geweest, wil het wel eens voorkomen dat de schakelstang op de bak niet meer zo lekker in en uit de bak glijdt ivm roestvorming. Boel even netjes schoonmaken en voorzien van nieuw vet en een nieuw rubbertje.
Het is natuurlijk mogelijk dat de bak defect is, maar probeer eerst deze kleine klusjes uit en ga van daar uit verder zoeken. Het kan ook zijn dat je koppeling niet helemaal vrij komt en bijgesteld moet worden, ook dat heeft effect op het al dan niet soepel schakelen van je versnellingsbak.
Succes.
Groet,
Marco
1-Takt reicht nicht, 2-Takte sind mehr als genug, und 4-Takte sind 2 zuviel!!
Dabei: Motorräder brauchen nur Ventile an Vorder- und Hintenrad!
Dabei: Motorräder brauchen nur Ventile an Vorder- und Hintenrad!
Re: Laatste (of eerste....) rubber van het schakelmechanisme
haha, ja die zuurvrije vaseline is hier niet aan te slepen
gebruik het overal voor, bij de auto hobby 
lijstje voor morgen is lang... hopelijk kom ik aan alles toe


lijstje voor morgen is lang... hopelijk kom ik aan alles toe